MATAC MTC-SB széria - Precifix gyorscserélős késtartó készlet

A Precifix gyorscserélős késtartó egy egész készlettartót és alaptestet kínál. A műszaki kivitel, a minőség és az ár, maximális értéket kínál a pénzéért.
A Precifix készlet a következő tulajdonságokkal rendelkezik:
- precíziós kialakítású mechanizmus a zavartalan működésért
- ismétlőképessége jobb, mint 0,01 mm
- gyorsan és könnyen cserélhető szerszámbefogók
- az alaptestek 40 különböző pozícióba állíthatóak, melyek skálázott számlapon láthatóak
- edzett és keményített kivitel
- csereszabatos más márkák termékeivel, beleértve a Haase of Multifixet is
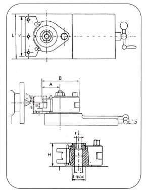
Annak érdekében, hogy a legmegfelelőbb terméket válassza, ellenőrizze a következő részleteket:
- az esztergapad teljesítménye
- maximum átmérő
- az "a+h" méretnek kisebbnek kell lennie az "s" méretnél
- az "I" és "L" hossza egyforma kell hogy legyen
| Méret | AA | A | E | B | C | D1 | D2 |
| Kés méret | D12 | D20 | D20-D25 | D25-D32 | D32-D40-D45 | D40-D50-D63 | D50-D63 |
| Gép teljesítmény | 1,2 | 2 | 4,5 | 7 | 13 | 19 | 25 |
| Esztergálási átmérő | 120-122 | 150-300 | 200-400 | 300-500 | 400-700 | 600-1000 | 700-1500 |
| Keresztszán szélesség L | 80 | 100 | 120 | 150 | 180 | 200 | 250 |
| Minimális magasság s | h+y | h+y | h+y | h+y | h+y | h+y | h+y |
| Maximális magasság s | x+hv | x+hv | x+hv | x+hv | x+hv | x+hv | x+hv |
| Magasság állítás hv | 8 | 11 | 17-15 | 20-11 | 40-35-30 | 35-30-20 | 30-20 |
| Vastagság h | 6 | 9 | 10-11 | 12,5-14 | 15-16-17 | 20-21-22 | 22-25 |
| Szerszám magasság a | 12 | 20 | 20-25 | 25-32 | 32-40-45 | 40-50-63 | 50-63 |
| Teljes méret B | 70 | 100 | 125 | 150 | 192-202-202 | 230-234-242 | 275-282 |
| Teljes magasság H | 32 | 54 | 68 | 75 | 105 | 122 | 135 |
| Befogadó képesség A | 30 | 48 | 60 | 71 | 92-102-102 | 112-117-124 | 140-147 |
| Normál furat t | 12 | 20 | 20 | 32 | 40 | 40 | 80 |
| Maximális furat t | 12 | 31 | 31 | 51 | 70 | 80 | 110 |
| - | 35 | 35 | 45 | 75 | 75 | 85 |
| Az "r" furatot kívánság szerinti méretre átalakítható. | | | | | | | |